Доставка цветов в Севастополе: SevCvety.ru
Главная -> Радио

0 1 2 3 4 5 6 7 8 9 10 11 12 13 14 15 16 17 18 19 20 21 22 23 24 25 26 27 28 29 30 31 32 33 34 35 36 37 38 39 40 41 42 43 44 45 46 47 48 49 50 51 52 53 54 55 56 57 58 59 60 61 62 63 64 65 [66] 67 68

Анализ показывает, что изменение формы анодного тока приводит к появлению звуковых гармоник, т. е. колебаний с частотой в 2-3 и больше раз выше основной частоты воспроизводимого звука. Эти гармоники меняют тембр звука и соответственно искажают передачу.

Отрицательная обратная связь

Борьба с этими искажениями осушествляется по принципу «клин клином вышибается». Чтобы устранить или по крайней мере ослабить искажения в усилителе низкой частоты, в него вводят искажения, аналогичные тем, которые он вносит сам, но противоположного знака, с тем чтобы одни искажения компенсировали другие.

Но где взять искажения, идентичные искажениям, вносимым усилителем? Наиболее простои и надежный способ заключается в том, чтобы снять их с выхода самого усилителя и подать

Усилитель

т 1-


на вход в противоположной полярности к напряжению, которое их вызывает в процессе усиления.

Вот мы и пришли к принципу отрицательной обратной связи.

Идеальным решением было бы снимать с выхода только напряжение, соответствующее искажениям. Но его, разумеется, невозможно выделить из всего напряжения. Поэтому с выхода снимается некоторая часть и всего напряжения, которая и подается на вход усилителя в противоположной полярности с усиливаемым напряжением U (рис. 161).

Что же при этом происходит? Имея противоположную полярность относительно входного напряжения U, напряжение и вычитается нз него, в результате чего входное напряжение падает до значения U - и. Но это неважно, так как снижение может быть компенсировано соответствующим усилением в других звеньях. Важно то, что в напряжении и - и имеются искажения, которые не существовали в напряжении U и которые противоположны искажениям, возникающим в усилителе. В результате искажения на выходе значительно снижаются.

Так как входное напряжение U уменьшается до значения U - и частью выходного напряжения и, отрицательная обратная связь в и.чвестиой мере снижает усиление. Ее следует применять лишь в усилителях, имеющих достаточный запас по усилению, чтобы оконечная лампа, несмотря на снижение усиления, могла отдать требуемую выходную мощность.

Рис. 161. Принципиальная схема отрицательной обратной связи. Необходимая часть выходного напряжения снимается с потенциометра R.

Отрицательная обратная связь в схеме оконечной лампы

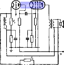
в связи с тем, что основные искажения возникают главным образом в оконечной лампе, обратную связь часто применяют только в цепи этой лампы. Наиболее простой способ (рис. 162) заключается в соединении анода оконечной лампы Лг с анодом лампы предварительного усилителя Л через резистор R с большим сопротивлением (1-2 Л1ол1). Благодаря этому часть переменного напряжения первичной обмотки выходного трансформатора поступает через конденсатор С на управляющую сетку оконечной лампы.

Следует отметить, что, как и в схеме, изображенной на рис. 161, деление выходного напряжения перед подачей его на сетку лампы производится с по-



мощью делителя, аналогичного потенциометру. На рис. 162 потенциометр обра

(одно плечо) и трех других параллельно плечо): внутреннего сопротивления Ri

Рис. 162. Отрицательная обратная связь в усилителе низкой частоты, осуществленная с помощью резистора R, включенного между анодами двух ламп.

зован из сопротивления резистора R включенных сопротивлений (другое лампы JIi и сопротивлений резисторов /? и /?2 (каждое из этих сопротивлений одним концом подключено к аноду лампы Л\, а другим - к плюсу или минусу источника вйсокого напряжения, что по переменному току эквивалентно). Так как суммарное сопротивление параллельных сопротивлений Ri, Ri и Ri мало по сравнению с сопротивлением R, на сетку лампы Л2 подается незначительная часть выходного напряжения.

Отрицательная обратная связь с коррекцией тембра

При желании охватить отрицательной обратной связью обе лампы усилителя низкой частоты приемника напряжение лучше снимать со вторичной обмотки выходного трансформатора, который, как мы знаем, понижает напряжение. Это напряжение подают на резистор /?, с небольшим сопротивлением (10-20 ом), включенный в цепь катода последовательно с резистором смещения первой лампы (рис. 163). Таким образом, в цепи отрицательной связи управляющим электродом является катод.

Иногда это устройство одновременно используется для улучшения воспроизведения низших и высших звуковых частот, обычно ослабленных относительно среднего их регистра. Чтобы лучше усилить низшие и высшие частоты, достаточно снизить напряжение отрицательной обратной связи на этих частотах. Таким образом, ослабление усиления, вносимое отрицательной обратной связью, будет менее выражено для низших и высших частот, которые в результате будут усилены больше, чем средние частоты.

Такая коррекция тембра осуществляется с помощью двух небольших катушек индуктивности: 7,1 и Li. Первая из них включена параллельно цепи обратной связи. Ее индуктивное сопротивление, а следовательно, и напряжение отрицательной обратной связи иа резисторе Rj тем меньше, чем ниже частота. Таким образом, катушка Lj корректирует низшие звуковые частоты. Сопротивление последовательно включенной катушки L2 увеличивается с частотой. В результате напряжение высоких частот на резисторе Ri падает и отрицательная обратная связь меньше влияет на нх усиление.


Рис. 163. Отрицательная обратная связь в усилителе низкой частоты с коррекцией тембра.

/?1 - 10 - 20 o,\i: - 5П0 ом,- Li- 25 мгн;



Такой метод коррекции тембра представляется соблазнительным благодаря относительной простоте, но его можно рекомендовать лишь с большими оговорками. Снижая величину отрицательной обратной связи на некоторых частотах, не следует забывать, что основная цепь отрицательной обратной связи заключается в у.меньшении искажений. Поэтому частоты, менее ослабленные отрицательной обратной связью, будут больше искажены. И если это не имеет большого значения для высших частот (гармоники которых имеют достаточно высокую частоту, чтобы не вносить заметных на слух искажений), то для низшпх частот это может оказаться весьма неприятным.

И так как сушествуют другие методы коррекции тембра, не связанные с цепью отрицательной обратной связи, лучше пользоваться ими, чем рисковать вводить неприятные искажения в процессе устранения других, ...иногда менее значительных.

комментарии -

к двадцать третьей беседе

Антенна

в этой, последней, беседе Любознайкин и Незнайкин дружными усилиями составили схему приемника, хорошо продуманного во всех деталях. Однако они обошли молчанием проблему антенного устройства.

Такое упушение вполне простительно. Современный приемник, подобный тому, который наши друзья собираются строить, обладает столь высокой чувствительностью, что позволяет обойтись самой скромной антенной. Нескольких метров провода, натянутого на потолке и хорошо изолированного от гвоздей, достаточно, чтобы слушать с хорошей громкостью много дальних станций. Для заземления же обычно используются трубы водопровода.

Впрочем, приемники обычно можно вообше не заземлять, так как достаточно собственной емкости, образующейся между металлическим шасси и «землей».

Однако комнатная антенна принимает не только электромагнитные волны станций, но и индустриальные помехи. Как мы уже говорили, этп помехи порождаются различными промышленными, медицинскими и бытовыми электрическими установками и приборами. Это высокочастотные колебания, распространяющиеся в В1ще электромагнитных волн, занимающих очень широкую полосу частот, и поэтому мешающие нормальному приему почти на всех частотах.

Помехи имеют относительно малую мощность и распространяются только в пределах нескольких зданий, где их распространение облегчается благодаря наличию электропроводки, металлических труб и аналогичной арматуры. Интенсивность помех резко снижается над крышами и уже иа высоте в несколько метров над крышей они часто имеют ничтожную величину.

Поэтому для улучшения приема антенну лучше устанавливать снаружи над крышами домов. Форма антенны не имеет существенного значения: выполнена ли она в виде горизонтального провода, вертикального стержня или корзинки.

В дальнейшем задача состоит в том, чтобы исключить возможность попадания помех на антенное снижение, соединяющее приемник с антенной.

И в этом случае проблема удачно решается экранировкой. Благодаря применению экранированного антенного снижения ток из антенны без каких бы то ни было изменений достигает приемника.

Экранированный провод снижения представляет собой медный провод, помещенный в гибкую металлическую трубку (например, металлическую оплетку) со значительно большим диаметром. Экран должен быть заземлен.

Хорошо выполненная антенная система является эффективным средством борьбы с индустриальными помехами, но она не защищает от атмосферных возмущений, B03AeiicTBHC которых на приемник, если только нет грозы, к счастью, слабее.



0 1 2 3 4 5 6 7 8 9 10 11 12 13 14 15 16 17 18 19 20 21 22 23 24 25 26 27 28 29 30 31 32 33 34 35 36 37 38 39 40 41 42 43 44 45 46 47 48 49 50 51 52 53 54 55 56 57 58 59 60 61 62 63 64 65 [66] 67 68



0.0077
Яндекс.Метрика