Доставка цветов в Севастополе: SevCvety.ru
Главная -> Математическое описание сэп

0 1 2 3 4 5 6 7 8 9 10 11 12 13 14 15 16 17 18 19 20 21 22 [23] 24 25 26 27 28 29 30 31 32 33 34

Если принять

Wio(p)

Ту,.

Wip)

to равенство (4.20> будет справедливо при условиях: Ws{p)=W,{py, We (р) - W« (р) = -.

м. доР

Учитывая полученные условия, передаточную функцию устройства косвенного измерения момента можно привести при Тм.д = Тм.до к следующему виду:

iclp) -„(р)Гд(р)иЛР) fc(p) И-до(р) wp)

Принимаем

Wn (р) = W, (р) = их; W, (р) = (4.21)

тогда искомая передаточная функция определится так:

Wy.AP)-AP)= г !4 1

где = Тм.до /1 - постоянная времени устройства.

С учетом условий (4.21) передаточные функции звеньев устройства косвенного измерения момента сопротивления будут иметь вид

Wio (Р)

м. до

где Гмо, Тм.до - номинальные значения механических постоянных времени механизма и двигателя.

Рассмотренные принципы построения устройства косвенного измерения момента статического сопротивления нетрудно обобщить также и для многомассовых упругих механических систем.

Косвенное измерение момента статического сопротивления в двухмассовой механической системе с помощью наблюдающего устройства. Для некоторых механизмов непосредственное измерение скорости второй массы затруднительно, поэтому реализация устройства косвенного измерения возмущения становится практически невозможной. В этом случае для оценки возмущения р-с целесообразно использовать астатическое наблюдающее устройство.

Объект управления описывается системой дифференциальных уравнений:

•1 =-- 1 "Ь ~ 2 -j- ----Хз-- p-cj

Xz =

ТиТс

Xi -\---Xs,

Тм д7с

(4.22)

где a:i = Vm, лгз = fiy, = v- переменные состояния. Запишем систему уравнений (4.22) в матричном виде:

X = Ах И- Ви Н- Fz; у = Сх,

(4.23)

-flu

«23

; в =

-031

- 0-

>

1

an = ai3 =

TuT,

; ai2 = fi=

«31 = «33

Tu. pTc

«32 = 3 =

Tm.,

Оценим наблюдаемость объекта управления. Для этого составим матрицу наблюдаемости в соответствии с выражением (4.7):

" 0

- «31

«32

«33

%3..

где Qis = «11«з1-«21«32-«31«зз; аз «i2«3i ~1 «зазя.

- - - «]з«з1 -г «23«за «а:*-

Определим матрицы наблюдаемости:

(кЧОн- - «.nf/83-«azf/ia («32-«!ii)«:.Ku2- «:i п/.и)

Пет)удн{ шж.кпть, что если 7, (обычис» jki vi.ii<MMir m,i

полняется), то del Q„ Ф О и г;т1ч Q„ 3, т. е. огп.)! \пр.ним пни полностью наблюдаем, (инте.ч астатического маПлюдакши!п yi i ройсчиа iipoiruiojunch n cootiinviium с ypaiuiciiiicm (4 11)

X Лк i Wn I К (I/ ci) IK ,n ( C.x). , (! .i)

I 11



Так как матрицы А, В и С определены, то в результате синтеза необходимо найти значения элементов матриц К и K-i. Для этого, вычитая из уравнения (4.24) уравнение (4.23), получим формулу

для ошибки оценки зГ--х -х: •

х=---(А-KC)x+K iFJ (г/-Cx)d/ -Fz.

Считая, что Z const, и дифференцируя последнее выражение, можно записать

X = (А -КС)х-K iFCx.

Искомые коэффициенты можно определить из характеристического полинома det [рЧ-р (А-КС) -f K-iFC], принимая для него одно из известных распределений корней [31], посредством приравнивания коэффициентов при одинаковых степенях р. Опуская промежуточные преобразования, можно записать формулы для коэффициентов так:

(4.25)

с с

где di - коэффициент стандартного полинома при j-й степени оператора р\ соо - базовая частота, выбор которой осуществляется исходя из желаемой быстроты затухания ошибок оценки.

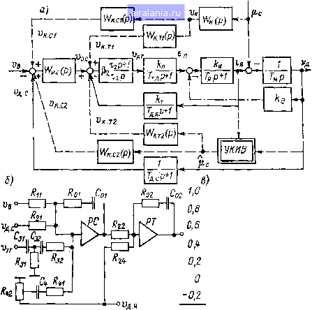
Структурная схема астатического наблюдающего устройства для двухмассовой системы с упругой связью, обведенная штриховыми линиями, показана на рис. 4.4, а.

Косвенное измерение изменения напряжения сети переменного тока, питающей тиристорной преобразователь. В некоторых случаях значительное влияние на качество функционирования автоматизированного электропривода непрерывно-поточных агрегатов может оказывать изменение питающего переменного напряжения тиристорного преобразователя, использующего для формирования угла открывания тиристоров стабилизированные опорные напря-

жения [66]. Структурная схема тиристорного электропривода с устройством косвенного измерения изменения напряжения сети переменного тока, построенным в соответствии с изложенными выше принципами косвенного измерения возмущений, изображена на рис. 4.4, б, где Гр.т (р) - передаточная функция регулятора тока;

Гп-= -

зователя.

передаточная функция тиристорного преобра-

а?, Ум.

Надлюдатель

-К) Ь

Wp.r(p)

Тт.пР*1

4.Л1 . 1,я

Ц(р}


Тяр*1

Щ(р)

Рис. 4.4. Структурные схемы астатического наблюдающего устройства и устройства косвенного измерения изменения напряжения сети, питающей

тиристорный преобразователь

Тиристорный преобразователь рассматривается как непрерывное устройство, что является вполне допустимым для электроприводов непрерывно-поточных агрегатов, имеющих быстродействие намного меньше предельного.

В соответствии со структурной схемой (рис. 4.4, б) можно составить следующее выражение для выходного сигнала устройства:

[Щ (р) + W, (р) Гд(р)] Ус (Р) + Д (р) J



Wn (P) (P)

Д(р)

+ -13 {p)~keW, {p)W2 (P)]>c,

(4.26)

где (p), Wp ip) определяются в соответствии с выражениями

(4.13); Mp) = \ + KWAp)Ap)-

Для независимости выходного сигнала устройства от изменения момента статического сопротивления необходимо, чтобы

а!(р)=-.я(р)«2(р). (4.27)

в этом случае получаем

2(р)+из(р)д(р)=2(р)А(р).

С учетом последнего выражения формула (4.26) может быть записана так:

= -«я (Р) "2(Р)Uc[Wx{p)-Wn (Р) WMW2 (р)] ip.T. (4.28)

Для независимости выходного сигнала устройства от изменения переменной Up. в соответствии с (4.28) необходимо, чтобы

Wi(p) = ir,(p)WJ(p)W2(p). (4.29)

Для определенности положим передаточную функцию (р) равной

г{р)-\1{КК1 (4.30)

тогда согласно выражениям (4.27) и (4.29) получим

Wxip)

(4.31)

ГяР-rl

где 1=1; = Vn.

Передаточная функция устройства косвенного измерения изменения напряжения питающей сети будет иметь вид

W (p)- .-MpL =

Uc (Р)

(4.32)

где = 1/п.

В данном устройстве звено с передаточной функцией W3 (р) предназначено для компенсации действия обратной связи по про-тиво-ЭДС двигателя.

4.4. РЕАЛИЗАЦИЯ УСЛОВИЙ ИНВАРИАНТНОСТИ ПО МОМЕНТУ СТАТИЧЕСКОГО СОПРОТИВЛЕНИЯ В ОДНОМАССОВОЙ СИСТЕМЕ ЭЛЕКТРОПРИВОДА

Комбинированная система регулирования. Структурная схема обобщенной инвариантной двухконтурной автоматической системы регулирования электропривода приведена на рис. 4.5, а. Струк-

турная схема комбинированной системы регулирования получается из схемы на рис. 4.5, а путем исключения дополнительных связей, относящихся к СЭП с косвенным измерением возмущения, т. е.

при \Гк.т2(р) = ttK.c2(p) =0.

Информация о моменте сопротивления получается с помощью магнитоупругого датчика момента, передаточная функция которого


Г"- \.

L 5

1 1 1

исходная АСР

--индариантная АСР с Ц-КУ

......инвариантная fiCPсПД-К]/

Im. 4.5. Нормированная структурная схема СЭП с косвенным измерением момента сопротивления и переходные характеристики

»» ределяется выражением

н(р)=:

Т,Р + 1

(4.33)

I Ьтариантпая связь по моменту может быть введена на вход jiiiyjiviropa скорости или регулятора тока через компенсирующие yi г!1(»йсп>;1 (КУ) соответственно с передаточными функциями (р) ii U.n (Р).

Настройка регуляторов тока якоря и скорости выполняется

и mill.....iciimii с 1ги»с11ым11 условиями оптимизации контуров

♦ и» пм iiiiii4iiiicimiii о pciy,;iiip(maiimi.



0 1 2 3 4 5 6 7 8 9 10 11 12 13 14 15 16 17 18 19 20 21 22 [23] 24 25 26 27 28 29 30 31 32 33 34



0.0101
Яндекс.Метрика